Seite 6 von 10
Re: [Bestellphase beendet] Sammelbestellung des Twin, die zweite
Verfasst: Mi 30. Mai 2018, 13:11
von DeLorean
Grundsätzlich kann man den Grill natürlich zerlegen... ich persönlich habe es nie gemacht... Schmodder habe ich nach etlichen Stunden Nutzung keinen den man an den Innenwänden/Führungsschienen entfernen müsst - so bestand für mich keine entsprechende Veranlassung.
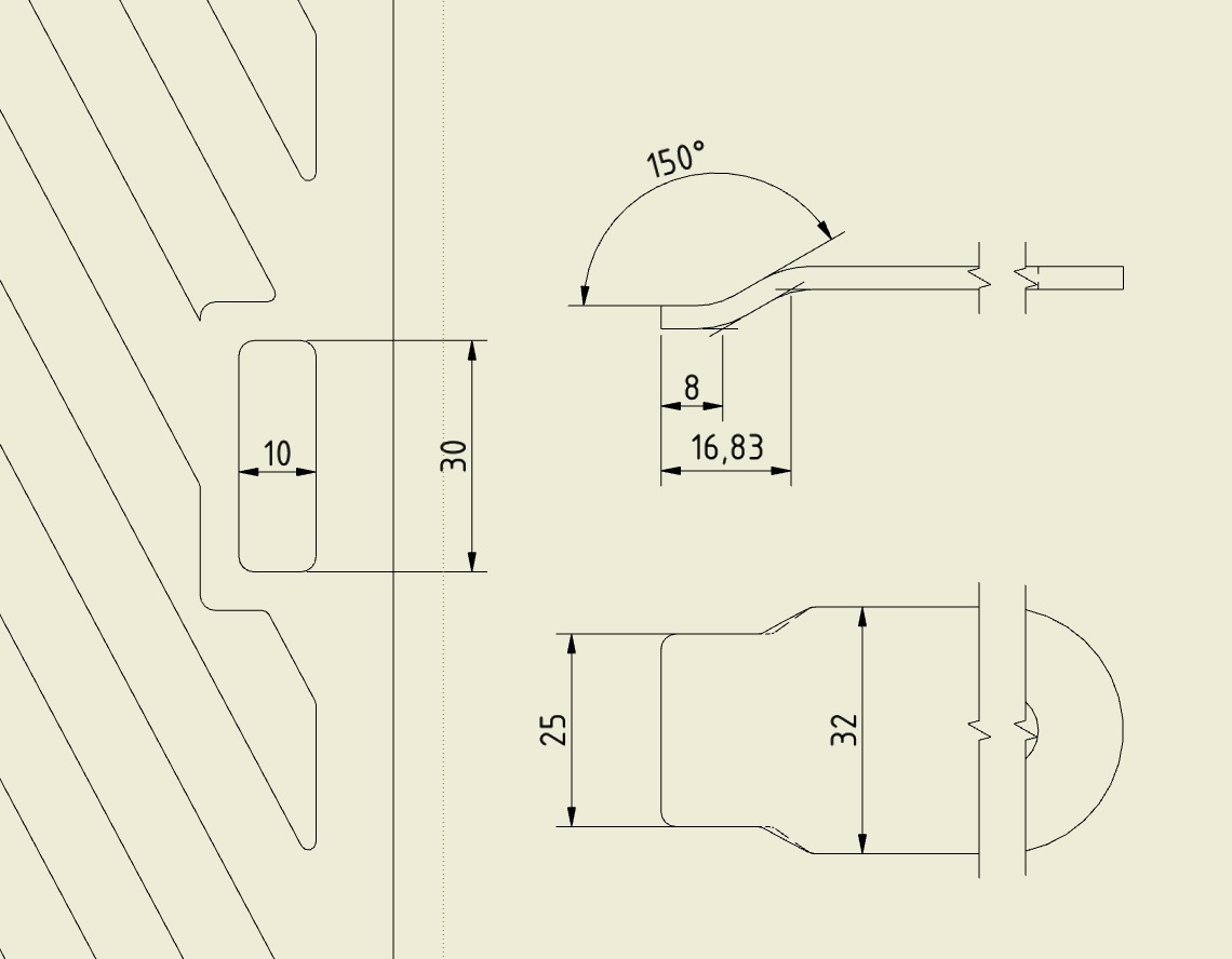
Bezüglich der Rostheber kann ich heute Abend mal ein Bild vom Soll-Zustand und die ungefähren Winkel posten.
Aber vielleicht kann auch einer der Forumskollegen die im GSV die Suchfunktion noch nutzen können mal im dortigen Megathread nach den Step-Dateien schauen... oder hat sie vielleicht sogar einer ?
Re: [Bestellphase beendet] Sammelbestellung des Twin, die zweite
Verfasst: Mi 30. Mai 2018, 13:24
von marc
Ich persönlich habe auch noch keine Notwendigkeit gesehen, meinen Twin zu zerlegen.
Was ich mal gemacht habe, war die Schienen raus und dann ausgewischt. Mehr aber nicht.
Lieber etwas schwerer zusammenbaubar, dafür klappert nachher nichts

Re: [Bestellphase beendet] Sammelbestellung des Twin, die zweite
Verfasst: Mi 30. Mai 2018, 13:37
von Er4zer
Wie bekommt bei einem evtl. Brenner-austausch o.ä. die Spannstifte wieder raus? Und können die dann wieder benutzt werden oder lieber neue nehmen?
Re: [Bestellphase beendet] Sammelbestellung des Twin, die zweite
Verfasst: Mi 30. Mai 2018, 13:44
von marc
Mit ner Zange rausziehen. Können wiederverwendet werden. Zur Not etwas aufbiegen
Re: [Bestellphase beendet] Sammelbestellung des Twin, die zweite
Verfasst: Mi 30. Mai 2018, 13:45
von Robeck
[mention]DeLorean[/mention]
das habe ich jetzt auf die schnelle gefunden:

- biegung.jpg (111.01 KiB) 27117 mal betrachtet

- Heber.jpg (81.67 KiB) 27116 mal betrachtet
Re: [Bestellphase beendet] Sammelbestellung des Twin, die zweite
Verfasst: Mi 30. Mai 2018, 13:59
von Marty McFly
Bei der Biegung kommt es immer darauf an was der Betrieb für Werkzeug hat und wie lang die einzelnen "Biegesegmente" mind. sein müssen.
Die Kombination aus Winkel und "Mittelstück" (also das kurze diagonale Stück) muss passen so das der Heber mit leichter Spannung im Rost sitzt.
Ist das Mittelstück zu lang oder der Winkel falsch dann hängt der Heber viel zu weit nach unten.
Einfach gesagt er muss leicht nach oben abstehen, wie etwa ein Bratpfannengriff.
Nach 1-2 Probestücken sollte der Betrieb den Dreh raushaben. Sorry anders haben wir es auch nicht gemacht.
Re: [Bestellphase beendet] Sammelbestellung des Twin, die zweite
Verfasst: Mi 30. Mai 2018, 14:03
von Robeck
Das Problem ist ja, die Heber sind gerade angekommen. Jetzt müssen wir das irgendwie selbst machen....
Re: [Bestellphase beendet] Sammelbestellung des Twin, die zweite
Verfasst: Mi 30. Mai 2018, 14:10
von Marty McFly
Ohje
2 Super Roste im Set und dann einen Heber der keiner ist... War das so in der SB geplant?
Re: [Bestellphase beendet] Sammelbestellung des Twin, die zweite
Verfasst: Mi 30. Mai 2018, 14:56
von marc
Kanten war nicht geplant. Wusste auch nicht, dass das bei der letzten ab dabei war.
Muss ich für die nächste SB klären. Geht sicher, wird aber 2-3€ kosten...
Habe meine eigenen im Schraubstock gebogen. Hat super funktioniert.
Alternativ bei einem Metallbetrieb vorbei schauen und 5€ in die Trinkgeldkasse...
Re: [Bestellphase beendet] Sammelbestellung des Twin, die zweite
Verfasst: Mi 30. Mai 2018, 15:47
von Andis1988
Also ich sehe auch kein Problem beim Heber selbst kannten bzw biegen.

Re: [Bestellphase beendet] Sammelbestellung des Twin, die zweite
Verfasst: Mi 30. Mai 2018, 16:29
von Rmb38
Einbrennen läuft. Australisches Ribeye badet bereits.
Stufe 2 am Regler scheint gut zu funktionieren. Nacheinander zünder ging problemlos auch ohne Zündfix.
Marc, mir musst Du nicht extra noch einen schicken - schade um's Porto...
Re: [Bestellphase beendet] Sammelbestellung des Twin, die zweite
Verfasst: Mi 30. Mai 2018, 16:30
von Luzerngrillt

Die Heber muss man biegen?

Ich benutz den schon seit Wochen als gerades Stück.. hab den Rost bisher damit immer problemlos rausgenommen und rein getan.
Re: [Bestellphase beendet] Sammelbestellung des Twin, die zweite
Verfasst: Mi 30. Mai 2018, 16:32
von DeLorean
Müssen muss man nicht... ist dann halt etwas komfortabler in der Handhabung.
Schicke Bilder [mention]Rmb38[/mention] !
Re: [Bestellphase beendet] Sammelbestellung des Twin, die zweite
Verfasst: Mi 30. Mai 2018, 19:45
von Beef Sepp
So, meiner ist auch aufgebaut und schon im Einsatz.
Danke an Marc für die Orga.
Re: [Bestellphase beendet] Sammelbestellung des Twin, die zweite
Verfasst: Mi 30. Mai 2018, 20:13
von DeLorean
Ist das Pfeffer/Gewürze auf dem Steak ? Das lasse ich vor dem Grillen immer weg.
Gerade bei den Temperaturen eines OHG verbrennt das alles nur was ich nicht für eine Förderung des guten Geschmacks erachte.
Re: [Bestellphase beendet] Sammelbestellung des Twin, die zweite
Verfasst: Mi 30. Mai 2018, 20:19
von Axxy
Re: [Bestellphase beendet] Sammelbestellung des Twin, die zweite
Verfasst: Mi 30. Mai 2018, 20:22
von fotomari
Nein Andreas, das ist Mohn! Das wird ein Mohnsteak (moderner Mohnkuchen)!

Re: [Bestellphase beendet] Sammelbestellung des Twin, die zweite
Verfasst: Mi 30. Mai 2018, 20:45
von Rmb38
Re: [Bestellphase beendet] Sammelbestellung des Twin, die zweite
Verfasst: Mi 30. Mai 2018, 21:51
von g0t0
Meine Bleche sind sowas von verzogen... 2-3mm über die Seitenlängen... Zusammen mit den knappen passmaßen war das echt kein Spaß.
Habe es mit Mühe und Not zusammenbekommen...
War das sonst noch bei jemandem so?
Re: [Bestellphase beendet] Sammelbestellung des Twin, die zweite
Verfasst: Mi 30. Mai 2018, 21:56
von creal
Hab meinen bis gerade gebaut. Die Blechen waren bei mir auch sehr stark verzogen und es war ein zieeeemlicher Kraftakt

Re: [Bestellphase beendet] Sammelbestellung des Twin, die zweite
Verfasst: Mi 30. Mai 2018, 22:03
von HomeGriller
Ist bei mir auch so. Hab ihn aber noch nicht zusammen, weil ich heute keinen Nerv mehr habe.
Morgen geht es in Ruhe mit neuer Kraft weiter, und dann hoffentlich erfolgreich

Re: [Bestellphase beendet] Sammelbestellung des Twin, die zweite
Verfasst: Mi 30. Mai 2018, 22:06
von Beef Sepp
DeLorean hat geschrieben: Mi 30. Mai 2018, 20:13
Ist das Pfeffer/Gewürze auf dem Steak ? Das lasse ich vor dem Grillen immer weg.
Gerade bei den Temperaturen eines OHG verbrennt das alles nur was ich nicht für eine Förderung des guten Geschmacks erachte.
Nicht alles was schwarz ist, ist Pfeffer
Das ist Vulkansalz aus Hawei.
Re: [Bestellphase beendet] Sammelbestellung des Twin, die zweite
Verfasst: Mi 30. Mai 2018, 22:16
von maichinshin
Ich "kämpfe" gerade noch ein wenig mit den Schienen.
Die Maße sind da wirklich eng

Habe jetzt die erste mti der Zange arretieren können, allerdings gehen durch die Spannung immer wieder 2 nach oben...
Gibts da evtl. einen Trick? Bin da für jede Hilfe dankbar
Ansonsten: das Teil sieht echt super aus, freue mich schon aufs einbrennen (morgen).
Re: [Bestellphase beendet] Sammelbestellung des Twin, die zweite
Verfasst: Mi 30. Mai 2018, 22:34
von Beef Sepp
maichinshin hat geschrieben: Mi 30. Mai 2018, 22:16
Ich "kämpfe" gerade noch ein wenig mit den Schienen.
Die Maße sind da wirklich eng

Habe jetzt die erste mti der Zange arretieren können, allerdings gehen durch die Spannung immer wieder 2 nach oben...
Gibts da evtl. einen Trick? Bin da für jede Hilfe dankbar
Ansonsten: das Teil sieht echt super aus, freue mich schon aufs einbrennen (morgen).
Ich hab die Schienen nach unten gebogen , so halten sie dann durch die Spannung.
Re: [Bestellphase beendet] Sammelbestellung des Twin, die zweite
Verfasst: Mi 30. Mai 2018, 22:38
von Christian-B
Robeck hat geschrieben: Mi 30. Mai 2018, 13:03
Provisorisch zusammengesteckt....TOP....was für ein Traum
tLAk9NXFTBilfWAwGHHwtg.jpg
Auf den ersten Blick stimmt irgendwas nicht bei den zusammen gesteckten Feldern Deiner Frontplatte. Ich hoffe, ich irre mich. Ist die Frontplatte vollstänig in die Bodenplatte eingeschoben ?